草莓视频性福宝,草莓免费视频,草莓视频APPIOS,黄色草莓视频在线观看

    草莓视频性福宝阀门代理

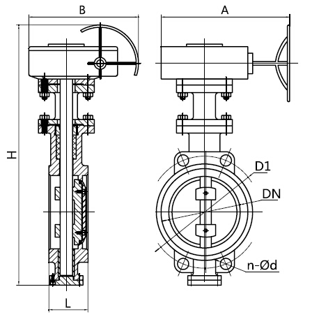
    对夹式蜗轮三偏心蝶阀

    对夹式蜗轮三偏心蝶阀

    • 详细介绍

    产品参数

    QQ截图20180815142508.jpg

    产品展示

    草莓视频性福宝阀门官网

    草莓视频性福宝阀门官网

    草莓视频性福宝阀门官网

    草莓视频性福宝阀门官网


    对夹式蜗轮三偏心蝶阀用途:

    广泛应用于水、天然气、人工煤气,液化石油气通断的场景。


    对夹式蜗轮三偏心蝶阀使用方法:

    手柄与阀体同向时为开启状态,旋转至直角状态为闭合状态。


    对夹式蜗轮三偏心蝶阀注意事项:

    1、安装时房按照产品规格与管件的规格相对应:

    2、产品安装使用后应定期检查是否有泄露,或安装时螺纹强行安装,如发现应及时处理;

    3、应采用生料带密封紧固,在正常温度下,试压后方可使用;

    4、操作前须确认管路和阅已被冲洗过。


    本文网址: http://www.shscw.net/product/761.html

    关键词: 对夹式蜗轮三偏心蝶阀,对夹式蜗轮三偏心蝶阀价格

    上一篇: 法兰式电动三偏心蝶阀
    下一篇:没有了
    电话 地图 留言
  1. 05328376679
  2. 在线咨询
    欢迎给草莓视频性福宝留言
    请在此输入留言内容,草莓视频性福宝会尽快与您联系。
    姓名
    联系人
    电话
    座机/手机号码
    邮箱
    邮箱
    地址
    地址
    网站地图